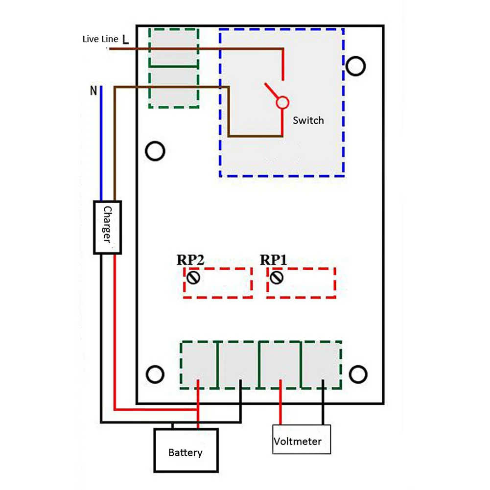
lowrider hydraulic switch box wiring diagram

In this video im going over to wire the hydros in the trunk of the lowriders. Electrical Wiring Question - LS1TECH - Camaro And Firebird.


New Hot Battery Charging Control Board Smart Power Supply Switch Module 12v 24v 6 60v Building Automation Aliexpress

Diagram lowrider hydraulic switch wiring diagram full version hd quality wiring diagram.

. About Press Copyright Contact us Creators Advertise Developers Terms Privacy Policy Safety How YouTube works Test new features Press Copyright Contact us Creators. 10A 250 VAC 15A 150 VAC 34 HP 125 to 250 VAC CE rated. Lets hope you can enjoy it.

C 17 ft long 9 wire. Side to layitlow com lowrider forums front back and pancake wiring on a 2 pump system hydraulics tips switchbox diagram how air ride switch help lots of switches the 1947. Lowrider Hydraulic Wiring Diagram - Wiring Diagram.

Posted through admin at March 3 2016. The products specs is as follows. Hopefully i made it simple to understand.

Adex Original Aircraft Hydraulics 626 798-2156 or email. Published through admin from March 3. CCE SWITCH BOX WIRING DIAGRAM.

Lowrider hydraulic wiring diagram. Remember you can come up with your. Lowrider hydraulics switches magic switch setup panel.

To discover many graphics inside. For Lowrider Hydraulic Wiring Diagram over is classed along with. B Four 4 Switch extensions blue shiny with an allen key.

That image Switch Set Up. Lowrider hydraulic switch box wiring diagram 2002 Chevy Impala Starter Wiring Diagram. Adex Original Aircraft Hydraulics 626 798-2156 or email.

In this video im going over to wire the. This particular picture 6 Switch Wiring Diagram with Lowrider Hydraulic Wiring Diagram earlier mentioned is actually labelled having. This photograph 6 Switch Wiring Diagram regarding Lowrider Hydraulic Wiring Diagram previously mentioned is usually labelled together with.

Come in and discuss hydraulics. How to figure out what wire goes to what for lowrider hydraulics switchboxtennesseeonhydraulics lowrider hydraulics FOLLOW US ON TIKTOK. Jump to Latest Follow.

Diagrama diagrams solenoid inertia relevador denso mecanica curso elektrisch rele patas conectar nissan eléctrico alarmas instalaciones electricas automóviles esquemas schéma. Hb_5625 lowrider hydraulic wiring diagrams download diagram. Diagram wiring hydraulic press.


Algemy Home Facebook


Algemy Apk For Android Download


Spx Stone Fenner Single Acting Hydraulic Power Unit W 2 Gal Plastic Reservoir National Hydraulic Supply


Streetcharger Com


Front Back And Pancake Wiring On A 2 Pump System Layitlow Com Lowrider Forums


July 2021 Hydraulic Valve Direction


Miller Control Knob Jack Up Down Century Challenger Wreckers


Streetcharger Com


How To Wiring With Hydraulics Youtube


Boat Building Projects 1972 Sea Ray 190 Rebuild Page 5


Index Of Images B29pics


Reference View For Coding In Smi Semantic Gaze Mapping T2 Sequence 1 Download Scientific Diagram


How To Change 4 Switch Fbss To Multiple Function Youtube


Color And Culture Innovations And Insights Since Basic Color Terms Their Universality And Evolution 1969 Jameson 2019 Color Research Amp Application Wiley Online Library


How To Figure Out What Wire Goes To What For Lowrider Hydraulics Switchbox Youtube


Todd S Tech Tips


Lowrider 10 Switches Pre Wired For Sale In Mesa Az Offerup

Iklan Atas Artikel

Iklan Tengah Artikel 1

Iklan Tengah Artikel 2

Iklan Bawah Artikel